Montaż ciężkich przedmiotów na elewacji ocieplonej styropianem to wyzwanie, które wymaga precyzji i zastosowania odpowiednich technologii. Ten praktyczny przewodnik krok po kroku wyjaśni, jak bezpiecznie i trwale zamocować markizę, balustradę czy klimatyzator, zawsze kotwiąc element w ścianie nośnej, a nie w samej izolacji. Dzięki niemu unikniesz kosztownych błędów, które mogą zrujnować zarówno estetykę, jak i funkcjonalność Twojej elewacji.
Bezpieczny montaż ciężkich przedmiotów na elewacji ocieplonej styropianem kluczowe zasady
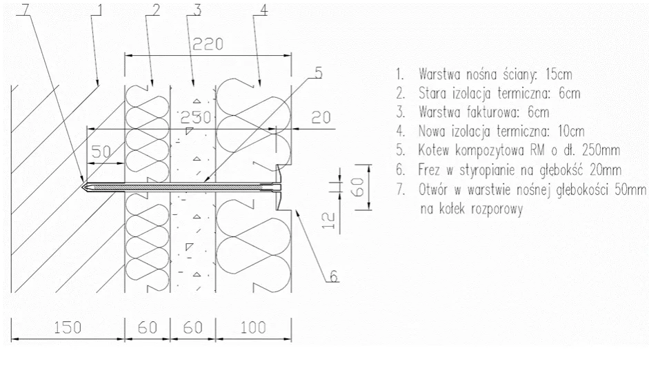
- Mocowanie ciężkich elementów (markizy, balustrady) na elewacji ocieplonej styropianem zawsze odbywa się w ścianie konstrukcyjnej, nigdy w samej izolacji.
- Niezbędne komponenty to kotwa chemiczna (żywica iniekcyjna), pręt gwintowany oraz tuleja dystansowa, która przenosi obciążenie przez styropian.
- Kluczowe dla trwałości mocowania jest precyzyjne wiercenie, dokładne oczyszczenie otworu i wybór odpowiedniej żywicy do zastosowania.
- Tuleja dystansowa zapobiega zgnieceniu styropianu i powstawaniu mostków termicznych, chroniąc izolację.
- Wybór żywicy (poliestrowa, winyloestrowa, epoksydowa) zależy od obciążenia, warunków montażu i materiału ściany.
Dlaczego zwykły kołek nie wystarczy na ocieplonej elewacji?
Wielu moich klientów pyta, czy do zamocowania ciężkiej lampy czy markizy na ocieplonej elewacji wystarczy zwykły kołek rozporowy. Odpowiedź jest jednoznaczna: nie. Tradycyjne kołki rozporowe, choć skuteczne w przypadku ścian litych, są całkowicie niewystarczające, gdy mamy do czynienia z warstwą izolacji termicznej. Styropian, choć świetnie izoluje, nie posiada żadnej nośności mechanicznej. Oznacza to, że nie jest w stanie przenieść obciążeń, szczególnie tych dynamicznych, generowanych na przykład przez wiatr działający na markizę. Próba mocowania ciężkich przedmiotów bezpośrednio w styropianie skończy się jego zgnieceniem, pęknięciem tynku i w konsekwencji uszkodzeniem całej elewacji. To prosta droga do kosztownych napraw i frustracji.
Mit kotwienia "w styropianie" gdzie naprawdę działa siła mocowania?
Często spotykam się z błędnym przekonaniem, że kotwienie na elewacji ocieplonej styropianem oznacza mocowanie "w styropianie". To jest absolutny mit! Prawidłowe mocowanie zawsze odbywa się przez warstwę izolacji do ściany konstrukcyjnej, czyli do muru. To właśnie ściana nośna czy to cegła, beton, czy pustak jest właściwym punktem podparcia, który przeniesie ciężar mocowanego przedmiotu. Styropian pełni tu jedynie rolę wypełniacza, przez który przechodzimy, aby dotrzeć do solidnego podłoża. Cała sztuka polega na tym, aby to przejście było stabilne i nie uszkadzało izolacji.

Mostki termiczne: Jak jeden błąd montażowy może zrujnować efekt ocieplenia?
Niewłaściwy montaż na ocieplonej elewacji to nie tylko ryzyko uszkodzenia mechanicznego, ale także poważne zagrożenie dla efektywności energetycznej budynku. Każde nieprawidłowe przewiercenie czy zastosowanie niewłaściwego elementu dystansowego może prowadzić do powstania mostków termicznych. Są to miejsca, przez które ciepło ucieka z wnętrza budynku, a zimno wnika do środka. Brak odpowiedniej tulei dystansowej, która izoluje pręt gwintowany od styropianu, sprawia, że metal staje się przewodnikiem ciepła. W efekcie, nawet idealnie ocieplona ściana może tracić swoje właściwości, co objawia się nie tylko wyższymi rachunkami za ogrzewanie, ale także ryzykiem zawilgocenia, a nawet rozwoju pleśni wokół punktów mocowania. To pokazuje, jak ważne jest dbanie o każdy detal.
Od lampy po markizę: Kiedy wystarczy specjalny dybel, a kiedy kotwa chemiczna jest koniecznością?
Wybór odpowiedniej metody mocowania zależy przede wszystkim od wagi i rodzaju przedmiotu, który chcemy zamontować. Nie każdy element wymaga użycia kotwy chemicznej. Dla lekkich przedmiotów, takich jak numery domu, lekkie lampy elewacyjne czy niewielkie tabliczki, często wystarczają specjalne dyble do styropianu. Są to zazwyczaj kołki wykonane z tworzywa sztucznego, które rozprężają się w izolacji, ale ich nośność jest bardzo ograniczona. Moim zdaniem, jeśli przedmiot waży więcej niż kilka kilogramów lub jest narażony na silne podmuchy wiatru czy wibracje, kotwa chemiczna staje się absolutną koniecznością. Dotyczy to przede wszystkim markiz, balustrad, klimatyzatorów, ciężkich uchwytów anten satelitarnych czy dużych skrzynek na listy. W takich przypadkach bezpieczeństwo i trwałość mocowania są priorytetem.
| Rodzaj mocowanego przedmiotu | Zalecana metoda montażu |
|---|---|
| Lekkie lampy elewacyjne, numery domu, niewielkie tabliczki | Specjalne dyble do styropianu |
| Markizy, balustrady, klimatyzatory, uchwyty anten satelitarnych | Kotwa chemiczna z tuleją dystansową |
| Ciężkie donice wiszące, duże skrzynki na listy | Kotwa chemiczna z tuleją dystansową |
| Lekkie dekoracje elewacyjne, czujniki ruchu | Specjalne dyble do styropianu |
Przygotuj się na montaż przez styropian: Niezbędne elementy
Zanim przystąpimy do właściwego montażu, musimy skompletować wszystkie niezbędne elementy. Prawidłowy system mocowania ciężkich przedmiotów przez styropian to nie tylko żywica, ale cały zestaw komponentów, które współpracują ze sobą, aby zapewnić maksymalną stabilność i bezpieczeństwo. Pominięcie któregokolwiek z nich może mieć katastrofalne skutki, dlatego zawsze zwracam uwagę na kompletność zestawu.Anatomia pancernego mocowania: Żywica, pręt i tuleje
- Kotwa chemiczna (żywica iniekcyjna): To serce całego systemu. Jest to dwuskładnikowa żywica, która po zmieszaniu z utwardzaczem tworzy bardzo twarde i trwałe połączenie. Wprowadzona do otworu, otacza pręt gwintowany i po stwardnieniu trwale go kotwi w materiale ściany nośnej. To właśnie żywica odpowiada za przenoszenie obciążeń na mur.
- Pręt gwintowany: Metalowy pręt, zazwyczaj wykonany ze stali ocynkowanej lub nierdzewnej, który jest osadzany w żywicy. To on stanowi właściwy punkt mocowania, do którego później przykręcamy montowany przedmiot. Jego długość i średnica muszą być odpowiednio dobrane do obciążenia i głębokości zakotwienia.
- Tuleja dystansowa (izolacyjna): To kluczowy, choć często niedoceniany element. Tuleja ta wypełnia przestrzeń w warstwie styropianu, zapobiegając jego zgnieceniu podczas dokręcania śruby. Co więcej, przenosi obciążenia bezpośrednio na ścianę nośną, omijając izolację. Wiele tulei dystansowych ma również właściwości izolacyjne, minimalizując powstawanie mostków termicznych.
- Tuleja siatkowa: Stosowana jest wyłącznie podczas montażu w materiałach z pustkami, takich jak pustaki ceramiczne, cegły dziurawki czy bloczki silikatowe z otworami. Jej zadaniem jest zapobieganie niekontrolowanemu rozpływaniu się żywicy w pustych przestrzeniach materiału. Żywica wypełnia siatkę tulei, tworząc kształtowe zakotwienie, które zapewnia stabilność mocowania.

Tuleja dystansowa cichy bohater Twojej elewacji, który chroni przed zniszczeniem
Jak wspomniałem, tuleja dystansowa to prawdziwy cichy bohater w procesie montażu na ocieplonej elewacji. Jej rola jest absolutnie kluczowa i moim zdaniem nie można jej pominąć. Działa ona jak most, który łączy pręt gwintowany ze ścianą nośną, jednocześnie izolując go od styropianu. Główną korzyścią jest ochrona styropianu przed zgnieceniem. Bez tulei, dokręcając mocowanie, ścisnęlibyśmy miękką izolację, co doprowadziłoby do jej uszkodzenia i pęknięcia tynku. Tuleja dystansowa przejmuje to obciążenie, przenosząc je bezpośrednio na mur. Dodatkowo, wiele z nich wykonanych jest z materiałów o niskiej przewodności cieplnej, co minimalizuje ryzyko powstawania mostków termicznych. Konsekwencje jej pominięcia są poważne: niestabilne mocowanie, uszkodzona izolacja, pękający tynk i utrata właściwości termoizolacyjnych elewacji. To zbyt duże ryzyko, by je ignorować.
Jak precyzyjnie wymierzyć długość pręta gwintowanego? Prosta kalkulacja
Prawidłowe dobranie długości pręta gwintowanego jest niezwykle ważne dla trwałości i bezpieczeństwa mocowania. Zbyt krótki pręt nie zapewni odpowiedniego zakotwienia, zbyt długi będzie wystawał nieestetycznie. Oto prosta kalkulacja, którą zawsze stosuję:
Długość pręta gwintowanego = grubość tynku + grubość styropianu + głębokość zakotwienia w murze + (ewentualna pustka powietrzna) + (grubość mocowanego elementu + nakrętka/podkładka)
Głębokość zakotwienia w murze jest kluczowa i zawsze powinna być zgodna z zaleceniami producenta kotwy chemicznej, zazwyczaj wynosi od 8 do 15 cm, w zależności od materiału ściany i przewidywanego obciążenia. Pamiętaj, aby zawsze dodać kilka centymetrów na grubość mocowanego elementu oraz nakrętki i podkładki, aby mieć pewność, że pręt wystaje na tyle, by swobodnie przykręcić przedmiot. Zawsze lepiej mieć pręt odrobinę dłuższy i ewentualnie go skrócić, niż zbyt krótki i musieć powtarzać cały proces.
Montaż kotwy chemicznej krok po kroku: Kompletny przewodnik
Przejdźmy teraz do sedna, czyli do samego procesu montażu. Wykonanie każdego kroku z należytą starannością jest absolutnie kluczowe dla zapewnienia maksymalnej nośności i trwałości mocowania. Nie ma tu miejsca na skróty czy improwizację.
Krok 1: Wiercenie idealnego otworu technika, która zapobiega uszkodzeniom
Pierwszym i fundamentalnym krokiem jest wywiercenie otworu. Średnica i głębokość otworu muszą być zgodne z instrukcją producenta kotwy chemicznej. Zazwyczaj średnica otworu jest o 2 mm większa niż średnica pręta gwintowanego. Wiercimy przez wszystkie warstwy: tynk, styropian, aż do ściany konstrukcyjnej. Ważne jest, aby używać odpowiedniego wiertła do styropianu można użyć wiertła do drewna lub metalu, ale do muru konieczne jest wiertło udarowe. Wiercąc przez styropian, staraj się robić to delikatnie, aby nie uszkodzić zbyt mocno izolacji wokół otworu. W przypadku materiałów z pustkami, takich jak pustaki, należy wiercić bez udaru, aby nie rozbić wewnętrznych ścianek.
Krok 2: Czyszczenie to podstawa! Dlaczego ten etap decyduje o całej wytrzymałości?
Ten etap jest często niedoceniany, a moim zdaniem decyduje o nawet 50% nośności kotwy. Po wywierceniu otworu, musimy go bardzo dokładnie oczyścić z pyłu i zwiercin. Żywica chemiczna potrzebuje czystej powierzchni, aby prawidłowo przylegać do ścianek otworu. Użyj specjalnej szczotki do czyszczenia otworów (ruchem obrotowym) oraz pompki ręcznej lub sprężonego powietrza, aby usunąć wszelkie luźne cząstki. Powtórz ten proces co najmniej trzykrotnie szczotkowanie, przedmuchanie, szczotkowanie, przedmuchanie. Jeśli w otworze pozostanie pył, żywica nie będzie miała odpowiedniej adhezji, a nośność kotwy drastycznie spadnie. To właśnie tutaj najczęściej popełniane są błędy, które później skutkują problemami.Krok 3: Aplikacja żywicy bez tajemnic jak uniknąć pęcherzy powietrza?
Po dokładnym oczyszczeniu otworu, przystępujemy do aplikacji żywicy iniekcyjnej. Najpierw należy przygotować kartusz zamontować dyszę mieszającą i wycisnąć niewielką ilość żywicy (około 10-15 cm) na bok, aż do momentu, gdy żywica będzie miała jednolity kolor, bez smug. To gwarantuje prawidłowe wymieszanie obu składników. Następnie, jeśli używasz tulei siatkowej (w przypadku pustaków), wprowadź ją do otworu. Aplikuj żywicę od dna otworu (lub od dna tulei siatkowej), powoli wycofując pistolet. Cel jest jeden: wypełnić otwór żywicą w 2/3 do 3/4 objętości, unikając tworzenia pęcherzy powietrza. Pęcherzyki powietrza osłabiają mocowanie, dlatego ważne jest, aby żywica wypływała równomiernie i wypełniała przestrzeń od dołu do góry.
Krok 4: Osadzanie pręta i czas wiązania dlaczego pośpiech jest najgorszym doradcą?
Po aplikacji żywicy, natychmiast wprowadź pręt gwintowany do otworu, wykonując ruch obrotowy. Upewnij się, że pręt jest osadzony na odpowiednią głębokość i że żywica wypływa na zewnątrz otworu, co świadczy o jego prawidłowym wypełnieniu. Teraz najważniejsze: cierpliwość. Musisz bezwzględnie odczekać na pełne utwardzenie żywicy. Czas wiązania zależy od rodzaju żywicy i temperatury otoczenia im niższa temperatura, tym dłuższy czas. Informacje o czasach utwardzania znajdziesz zawsze na opakowaniu produktu lub w karcie technicznej. Pośpiech w obciążaniu kotwy jest najgorszym doradcą i może skutkować jej uszkodzeniem, a nawet wyrwaniem. Zawsze daj żywicy wystarczająco dużo czasu, aby osiągnęła pełną wytrzymałość. To inwestycja w bezpieczeństwo i trwałość.
Wybór kotwy chemicznej: Która żywica będzie najlepsza?
Na rynku dostępne są różne rodzaje żywic chemicznych, a każda z nich ma swoje specyficzne właściwości i zastosowania. Wybór odpowiedniej żywicy jest kluczowy dla osiągnięcia optymalnej wytrzymałości i trwałości mocowania. Przyjrzyjmy się trzem najpopularniejszym typom.
Żywica poliestrowa: Ekonomiczny wybór do standardowych zastosowań w domu
Żywica poliestrowa to najbardziej uniwersalny i ekonomiczny rodzaj kotwy chemicznej. Charakteryzuje się dobrą wytrzymałością i jest stosunkowo łatwa w aplikacji. Moim zdaniem, jest to świetny wybór do standardowych zastosowań domowych, gdzie obciążenia nie są ekstremalnie wysokie, a warunki montażu są suche. Doskonale sprawdzi się do mocowania mniejszych markiz, balustrad balkonowych czy uchwytów do anten. Jej zaletą jest niższa cena i dostępność. Ograniczenia to nieco niższa odporność na wilgoć i agresywne środowisko w porównaniu do innych żywic, a także niższa nośność w przypadku bardzo dużych obciążeń. Nie zalecam jej do zastosowań, gdzie występuje stały kontakt z wodą lub silne wahania temperatur.
Żywica winyloestrowa: Gdy potrzebujesz większej mocy i montujesz w chłodne dni
Żywica winyloestrowa to krok wyżej pod względem wytrzymałości i wszechstronności. Posiada znacznie większą nośność niż żywica poliestrowa i jest bardziej odporna na działanie wilgoci, chemikaliów oraz zmiennych warunków atmosferycznych. Co ważne, żywice winyloestrowe często umożliwiają montaż w niższych temperaturach, co jest istotne przy pracach zewnętrznych jesienią czy wczesną wiosną. Z mojego doświadczenia wynika, że to idealny wybór do mocowania ciężkich markiz, klimatyzatorów, balustrad schodowych czy elementów konstrukcyjnych, gdzie wymagana jest wysoka niezawodność i trwałość. Jest nieco droższa od poliestrowej, ale oferuje znacznie lepsze parametry, szczególnie w trudniejszych warunkach.Żywica epoksydowa: Rozwiązanie do zadań specjalnych i ekstremalnych obciążeń
Żywica epoksydowa to prawdziwy "ciężki kaliber" wśród kotew chemicznych. Oferuje największą wytrzymałość i odporność na ekstremalne obciążenia, wibracje, a także agresywne środowiska chemiczne. Jej czas wiązania jest zazwyczaj dłuższy niż w przypadku żywic poliestrowych czy winyloestrowych, ale w zamian otrzymujemy niezrównaną trwałość. Stosuje się ją w zastosowaniach specjalistycznych, takich jak mocowanie elementów konstrukcyjnych mostów, ciężkich maszyn przemysłowych, a nawet w warunkach podwodnych. W kontekście elewacji ocieplonej styropianem, żywica epoksydowa będzie wyborem, gdy mamy do czynienia z wyjątkowo dużymi obciążeniami lub specyficznymi wymaganiami projektowymi. Dla większości zastosowań domowych jej parametry są często przewymiarowane, ale jeśli potrzebujesz absolutnej pewności i maksymalnej nośności, to jest to najlepsza opcja.
Unikaj tych błędów: Najczęstsze pomyłki przy montażu kotew w ociepleniu
Nawet najlepsze produkty nie zadziałają prawidłowo, jeśli zostaną źle zamontowane. Jako ekspert, widziałem wiele błędów, które mogłyby zostać łatwo uniknięte. Poniżej przedstawiam najczęstsze pomyłki, na które warto zwrócić szczególną uwagę, aby Twój montaż był bezpieczny i trwały.
Błąd #1: Zgnieciony styropian i pękający tynk skutki braku tulei dystansowej
To chyba najczęstszy i najbardziej widoczny błąd. Pominięcie tulei dystansowej podczas montażu ciężkich przedmiotów na elewacji ocieplonej styropianem to prosta droga do katastrofy. Kiedy zaczynasz dokręcać nakrętkę, bez tulei, cała siła nacisku przenosi się bezpośrednio na miękki styropian. W efekcie styropian ulega zgnieceniu, a tynk wokół mocowania pęka. Nie tylko wygląda to nieestetycznie, ale przede wszystkim mocowanie traci stabilność, a izolacja termiczna zostaje uszkodzona. To błąd, który łatwo uniknąć, a jego konsekwencje są kosztowne i trudne do naprawienia.
Błąd #2: Niedokładne oczyszczenie otworu jak traci się 50% nośności?
Jak już podkreślałem, ten błąd jest niewidoczny, ale ma dramatyczny wpływ na nośność kotwy. Jeśli otwór nie zostanie dokładnie oczyszczony z pyłu i zwiercin po wierceniu, żywica chemiczna nie będzie miała odpowiedniej adhezji do ścianek otworu. Zamiast tworzyć solidne połączenie z materiałem ściany, żywica będzie wiązać się z luźnymi cząstkami pyłu. Moje doświadczenie pokazuje, że niedokładne czyszczenie może obniżyć nośność kotwy nawet o 50%! To sprawia, że nawet najmocniejsza żywica staje się bezużyteczna. Zawsze poświęć dodatkowe minuty na precyzyjne szczotkowanie i przedmuchanie otworu to inwestycja, która się opłaca.
Przeczytaj również: Montaż szafy przesuwnej: Cennik od 200 zł. Uniknij ukrytych kosztów!
Błąd #3: Zbyt wczesne obciążenie mocowania jak czytać tabelę czasów utwardzania?
Kolejnym częstym błędem jest zbyt wczesne obciążenie świeżo zamontowanej kotwy, zanim żywica osiągnie pełną wytrzymałość. Pamiętaj, że żywica chemiczna potrzebuje czasu na utwardzenie, a ten czas jest silnie zależny od temperatury otoczenia i rodzaju żywicy. Producenci zawsze podają szczegółowe tabele czasów utwardzania na opakowaniu produktu lub w karcie technicznej. Na przykład, w niskich temperaturach czas ten może wydłużyć się z kilkunastu minut do kilku godzin. Obciążenie kotwy przed pełnym utwardzeniem może spowodować jej uszkodzenie, a nawet wyrwanie. Zawsze sprawdzaj te tabele i bezwzględnie przestrzegaj zalecanych czasów. Pośpiech w tym przypadku jest najgorszym doradcą i może zniweczyć cały trud włożony w prawidłowy montaż.




